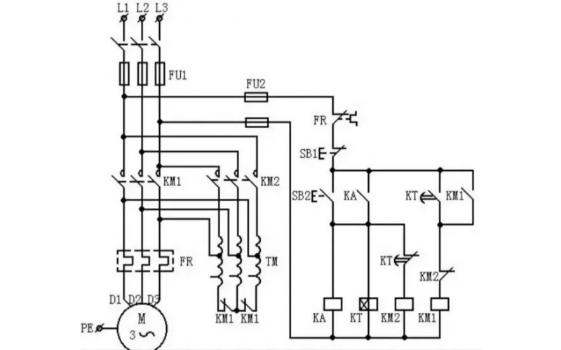
常用低压电器的安装与调试
2023-08-15 科威
电压互感器非正常时的应急处理
低电阻接地系统倒闸操作造成零序保护误动
2023-08-14 科威
电动执行器定位简便操作方法
什么是水煤比?什么是中间点温度?
断路器失灵保护的延时 由什么构成
2023-08-11 科威
配电系统中PT柜的作用是什么?PT柜和计量柜有什么区别?
电机的重载和轻载保护值,你还在乱设吗?是有规矩的,看完就懂了